X
快速聯絡
諮詢專線:
線上諮詢:
或由專員為您服務,請留下
快速
聯絡

中壢工業區 吉林雅寓

桃園市中壢區吉林二路107巷11號4樓

  • Uhomes
  • Uhomes
  • Uhomes
  • Uhomes
  • Uhomes
  • Uhomes
  • Uhomes
  • Uhomes
  • Uhomes
  • Uhomes
  • Uhomes
  • Uhomes
  • 相片
  • 地圖
  • 建物平面圖
  • 法院拍賣公告
公告底價
326.4萬
開標結果
待標中
  • 公告坪數
    28.09
  • 每坪單價
    11.61

    每坪單價以法院公告坪數概算,詳細拆算方式請洽專員。

  • 開 標 日
    2026/04/21 10:30
  • 拍  次
    3拍
  • 點交情形
    不點交
  • 保 證 金
    65.3萬
聯 絡 人
徐專員
調整字級

物件資料
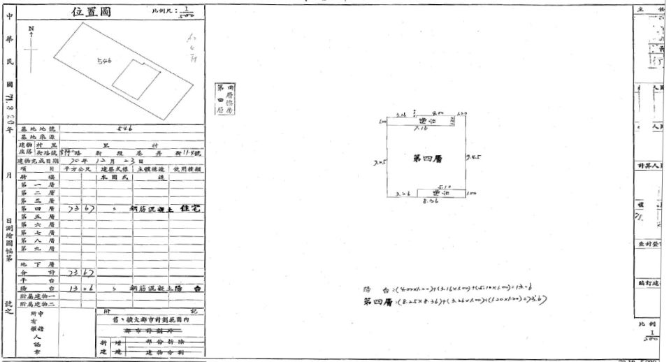
公 告 坪 數
28.09
主 建 坪 數
22.28
附 屬 坪 數
3.95
公 設 坪 數
1.86
其 他 坪 數
增 建 坪 數
土 地 坪 數
9.39
車 位 坪 數
車 位 屬 性
-
捷 運/火 車
台鐵內壢車站
房 屋 類 型
公寓
結   構
RC
屋   齡
45
樓 層 別
4/4
房 屋 用 途
住家用
會員資訊

請登入會員查看

公告資料
拍 賣 地 點
臺灣桃園地方法院
案   號
114年度司執字第48062號
拍 賣 範 圍
全部
拍 賣 原 因
拍賣抵押物
抵 押 權
抵押權拍定後塗銷
筆   錄
點交否: 不點交

使用情形
拍賣建物由債務人之子居住使用,債務人未住於該處,本件拍定後不點交。

備註
一、上開不動產2宗合併拍賣,請投標人分別出價。
二、拍賣最低價額合計新台幣:3,264,000元,以總價最高者得標。
三、保證金新台幣:653,000元。
四、本件標的物所設定之抵押權於拍定後均塗銷。
五、拍賣建物現場執行時目視屋內及天花板有大片壁癌,據債務人弟弟稱牆壁有龜裂;經債權人查報該建物牆面及天花板壁癌情形嚴重、查詢台灣凶宅網,無執行標的是凶宅的資料、另據債務人弟弟稱:執行標的漏水嚴重,故頂樓有搭建鐵皮(非拍賣範圍)遮雨,沒做過檢測不確定是否為海砂屋,房屋未因地震受損也無發生火災,自取得房屋所有權至今屋內無發生非自然死亡情事;另鑑定報告記載本案建物非民國71至73年間建造,無查詢是否為放射性汙染建築物之必要、經查地下水污染查詢網站,本案同段土地有2筆為網址所列土壤及地下水受污染控制場址、有4筆為公告地下水受污染使用限制地區及限制事項場址,有4筆為公告解除控制場址、有1筆為公告解除劃定地下水受污染使用限制地區場址、建物不在凶宅地圖APP經網友提供之凶宅訊息內;再函詢分局,其函復略以:警察機關係針對治安事件進行偵處,不動產物件有無發生自殺或他殺情事,警察機關現無對相關處所建立資料庫可供正確查詢。經查95年7月以後本分局刑案現場勘察資料,無勘察相關紀錄資料可稽,請應買人參考、注意。
六、本件拍賣之建物,本院卷內依通常調查所得足以影響交易之特殊情事等相關資訊,已於備註欄載明;其他非本院依通常調查所可得知之資訊,則非拍賣公告應記載事項,拍定後均不得以拍賣公告未記載而聲請減少價金或聲請撤銷拍定。
七、本件標的物原所有權人或使用人如有積欠工程受益費及水電、瓦斯費或管理費用,應由拍定人自行查明後與相關單位洽商解決,不得以此為由事後向本院提出爭執或聲明異議。
八、刊登於新聞紙或網路之公告內容如與本院公告欄張貼之公告內容不符時,一律以本院公告欄張貼之拍賣公告內容為準。
內容展開

本物件資訊如有遺漏,以法院公告為準。

地圖
公 告 底 價
326.4
開 標 結 果
待標中
  • 公告坪數
    28.09
  • 每坪單價
    11.61

    每坪單價以法院公告坪數概算,詳細拆算方式請洽專員。

  • 開 標 日
    2026/04/21 10:30
  • 拍  次
    3拍
  • 點交情形
    不點交
  • 保 證 金
    65.3萬
聯 絡 人
徐專員

留 言