X
快速聯絡
諮詢專線:
線上諮詢:
或由專員為您服務,請留下
快速
聯絡

生活大師住辦 福星公園

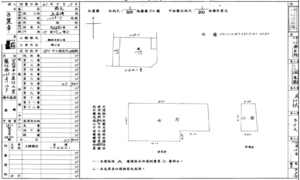
台中市西屯區上石北2巷15號7樓之10

  • Uhomes
  • Uhomes
  • Uhomes
  • Uhomes
  • 相片
  • 地圖
  • 建物平面圖
  • 法院拍賣公告
公告底價
368.3萬
開標結果
待標中
  • 公告坪數
    10.81
  • 每坪單價
    34.07

    每坪單價以法院公告坪數概算,詳細拆算方式請洽專員。

  • 開 標 日
    2026/05/19 13:30
  • 拍  次
    1拍
  • 點交情形
    點交
  • 保 證 金
    110.5萬
聯 絡 人
丘先生
調整字級

物件資料
公 告 坪 數
10.81
主 建 坪 數
8.43
附 屬 坪 數
公 設 坪 數
2.38
其 他 坪 數
增 建 坪 數
土 地 坪 數
1.25
車 位 坪 數
車 位 屬 性
-
捷 運/火 車
文心櫻花站
房 屋 類 型
華廈
結   構
RC
屋   齡
35
樓 層 別
7/8
房 屋 用 途
商業用
會員資訊

請登入會員查看

公告資料
拍 賣 地 點
臺灣臺中地方法院
案   號
114年度司執字第103890號
拍 賣 範 圍
全部
拍 賣 原 因
拍賣抵押物
抵 押 權
抵押權拍定後塗銷
筆   錄
點交否: 點交

備註
一、上開不動產3宗合併拍賣,請投標人分別出價。
二、拍賣最低價額合計新台幣:3,683,000元,以總價最高者得標。
三、保證金新台幣:1,105,000元。
四、他項權利:抵押權於拍定後塗銷。
五、依執行筆錄及估價報告書記載,拍賣土地使用分區為第三種商業區,拍賣建物位於八層鋼筋混凝土造建物之第七層,社區案名為「生活大師」,拍賣標的屬屋齡25年以上之套房產品,據管理員稱拍賣建物已半年沒住人,屋內沒電,有很多雜物,無停車位,故若拍定後無他人主張正當占用權源,且無依法不得點交之情形,則拍定建物得點交。又管理員稱建物無地震、火災、水災、非自然死亡等足以影響交易之情事,致有無海砂屋、輻射屋情事則未據債權人、債務人向本院陳報,惟實際上是否有海砂屋、輻射屋、地震、火災、水災、非自然死亡等足以影響交易之情事,應買人於投標前仍應自行查明,審慎投標,以免受損,若拍賣標的有上述足以影響拍賣標的之情事,請關係人儘速檢附相關證明資料陳報法院,以供法院即時審酌。另依強制執行法第69條之規定,拍賣物買受人就物之瑕疵本無擔保請求權,不得於拍定後據此請求撤銷拍定。
六、集(居)合式住宅:基地、公共設施(含道路)用地之共有人無優先承買權。
七、公寓大廈管理條例第24條第1項規定:「區分所有權人之繼受人,應於繼受前向管理負責人或管理委員會請求閱覽或影印第35條所定文件,並應於繼受後遵守原區分所有權人依本條例或規約所定之一切權利義務事項。」請應買人注意。
八、債務人有、無積欠大樓管理費用及其數額暨拍賣不動產是否確實附有停車位及其實際位置與債務人使用權之有無,應買人請自行查明,應買人、債權人、債務人等均不能執該事由請求增減價金。
內容展開

本物件資訊如有遺漏,以法院公告為準。

地圖
公 告 底 價
368.3
開 標 結 果
待標中
  • 公告坪數
    10.81
  • 每坪單價
    34.07

    每坪單價以法院公告坪數概算,詳細拆算方式請洽專員。

  • 開 標 日
    2026/05/19 13:30
  • 拍  次
    1拍
  • 點交情形
    點交
  • 保 證 金
    110.5萬
聯 絡 人
丘先生

留 言